| Manual 4 axis Translation Stage Specifications |
||
|---|---|---|
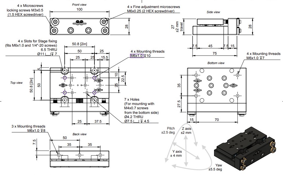
| Travel range | Y axis | 8 mm (±4 mm) |
| Z axis | 4 mm (±2 mm) | |
| Yaw | ±5.5 deg | |
| Pitch | ±2.5 deg | |
| Resolution | Y axis | 250 μm/rev |
| Z axis | 145 μm/rev | |
| Yaw | 0.018 deg/rev | |
| Pitch | 0.010 deg/rev | |
| Maximum load | Mounted horizontally | 1.5 kg |
| Mounted vertically | 0.6 kg | |
| HEX Screwdriver | Adjustment microscrew | 2 mm HEX |
| Microscrew lock | 1.5 mm HEX | |
| Dimensions | W x H x L | 75 x 28 x 100 mm |
| Deck height | 27 mm (±2 mm travel) |
|
| Weight | 500 g | |
.jpg)




