轉接配件

光纖接頭轉SM外螺紋

光纖接頭轉SM系列外螺紋轉接環
材質:不鏽鋼一體式精密加工
 
型號 SM外螺紋 光纖接頭端
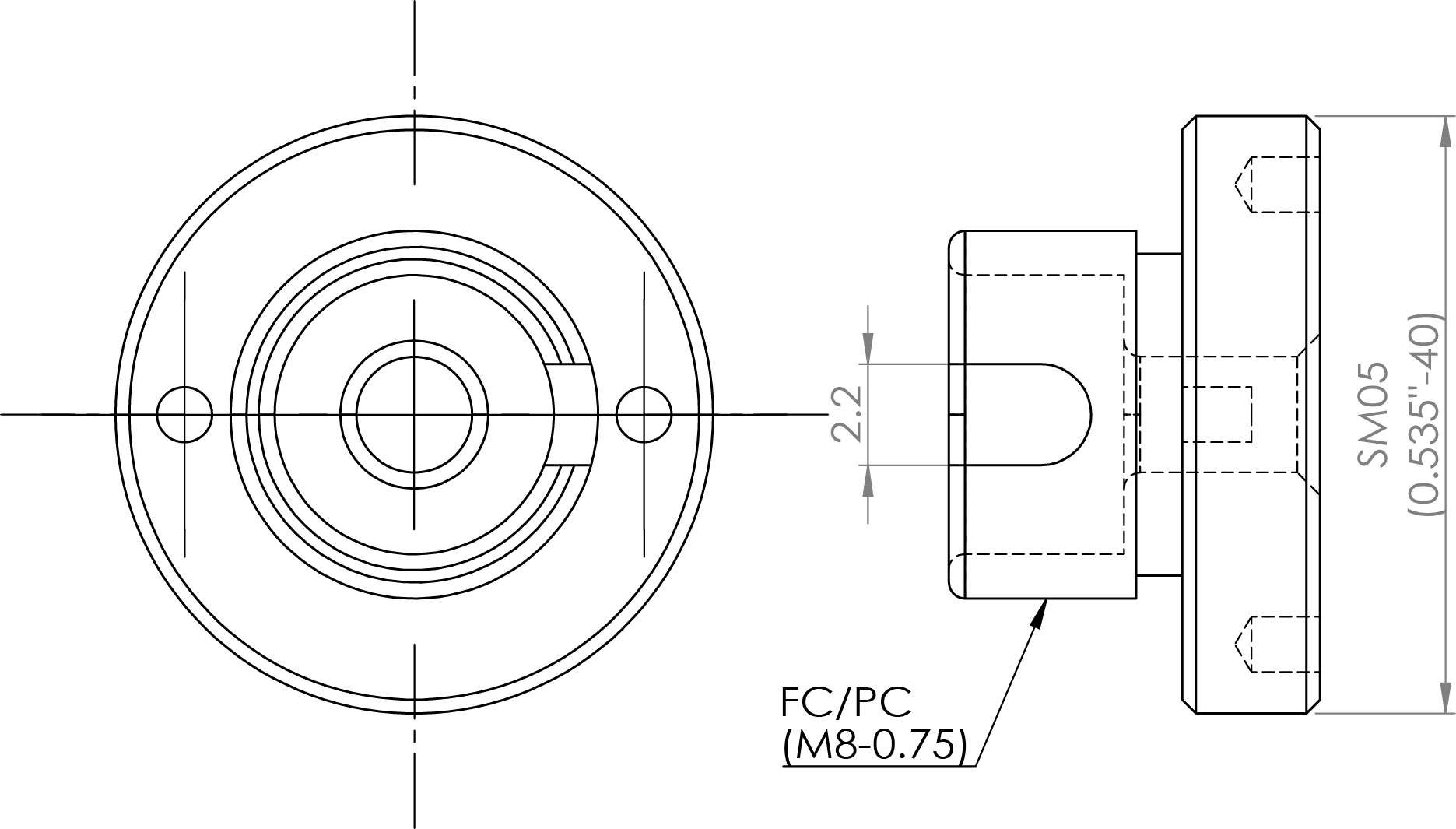
SM05E-FC SM05 FC/PC(Wide key 2.2mm)
SM05E-FC2 SM05 FC/PC(Narrow key 2mm)
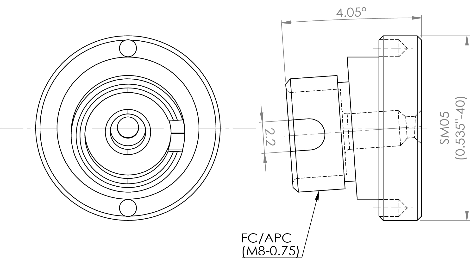
SM05E-FCAPC SM05 FC/APC(Wide key 2.2mm)
SM05E-FCAPC2 SM05 FC/APC(Narrow key 2mm)
SM05E-SMA SM05 SMA905
SM05E-ST SM05 ST/PC
SM1E-FC SM1 FC/PC(Wide key 2.2mm)
SM1E-FC2 SM1 FC/PC(Narrow key 2mm)
SM1E-FC SM1 FC/APC(Wide key 2.2mm)
SM1E-FCAPC2 SM1 FC/APC(Narrow key 2mm)
SM1E-SMA SM1 SMA905
SM1E-ST SM1 ST/PC

















SM05為英制細牙螺紋:0.535"-40
SM1為英制細牙螺紋:1.035"-40

SMA905為光纖接頭:1/4"-36
FC/PC為光纖接頭:M8-0.75, 開口2.2mm(wide key)
FC/PC2為光纖接頭:M8-0.75, 開口2mm(narrow key)
FC/APC為光纖接頭:M8-0.75, 帶8度角,開口2.2mm(wide key)
FC/APC2為光纖接頭:M8-0.75, 帶8度角,開口2mm(narrow key)
ST/PC為光纖接頭