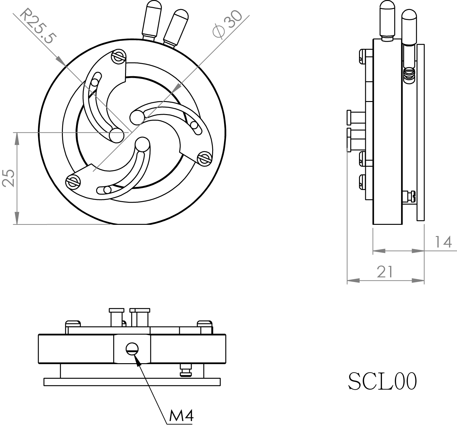
- 自定心彈簧夾持,方便快速拆換不同口徑的透鏡,同時能對準中心定位
- 具有鎖固功能
- 材質:鋁合金黑色陽極處理
- 安裝螺紋孔:M4
| 型號 | 鏡片尺寸 | 說明 |
| SCL00 | Ø4-25 mm | 外徑Ø51mm 鏡心高度25mm |
| SCL01 | Ø5-50 mm | 外徑Ø74mm 鏡心高度36.5mm |
| SCL02 | Ø5-80 mm | 外徑Ø121mm 鏡心高度60mm |
| SCL03 | Ø5-120 mm | 外徑Ø156mm 鏡心高度77.5mm |
| SCL04 | Ø5-150 mm | 外徑Ø196mm 鏡心高度97.5mm |








