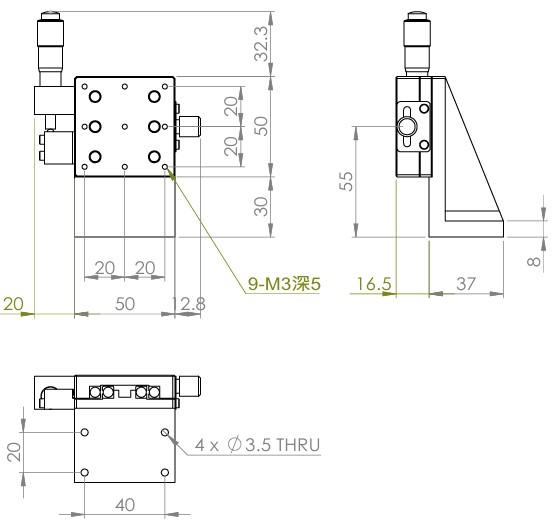
Z軸升降台

50mm垂直式升降台

垂直升降,防墜設計
材質:鋁合金黑色陽極處理
檯面尺寸:50 x 50mm
行程:13 mm
驅動方式:分厘卡頭
讀取精度:0.01 mm
偏移量:10 µm
荷重:2 kgf
重量:0.22 kg

選配:-P:高精度分厘卡頭(0.25mm per round)

型號:
STV50AC 分厘卡頭位在中心
STV50AL 分厘卡頭位在左側
STV50AR 分厘卡頭位在右側