雷射用光機組件

雷射空間濾波器

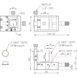
型號:SF10A
說明:雷射光束經過物鏡聚焦,透過針孔在焦平面將光的高頻雜訊濾除,只讓基頻光通過
不含針孔與物鏡

搭配波長633nm的雷射時,針孔 X 物鏡倍率約等於200,建議搭配方式如下
物鏡
倍率
4X 10X 20X 40X 60X
針孔
尺寸
50um 20 or 25um 10 or 15um 5 or 10um 5um以下