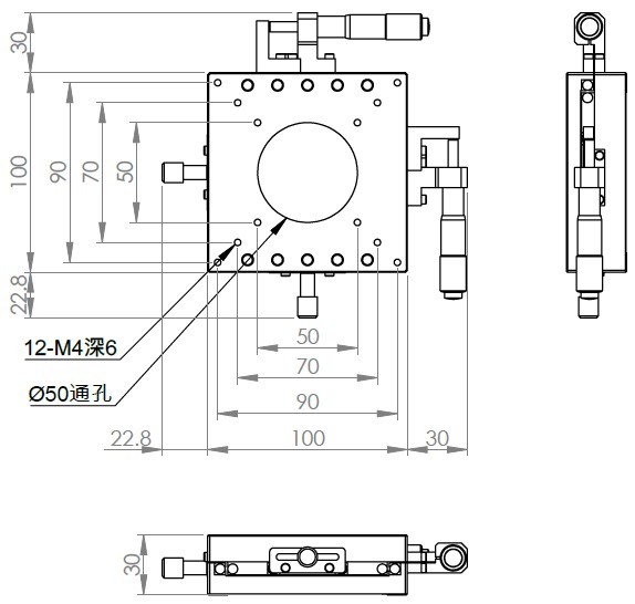
XY軸線性平移台

薄型100mm交叉滾子XY手動平移台/中心50mm通孔

XY軸一體型設計
材質:鋁合金黑色陽極處理
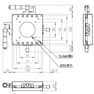
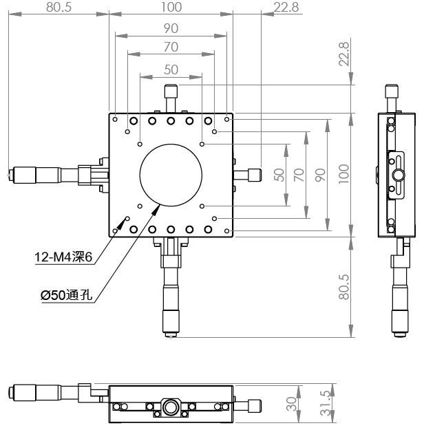
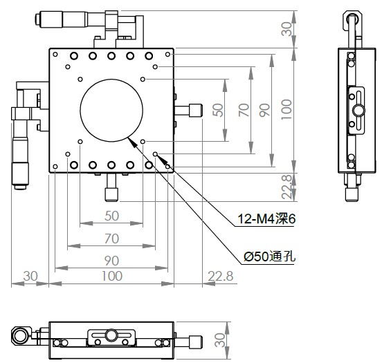
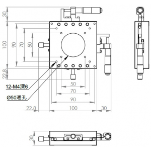
檯面尺寸:100 x 100 mm
厚度:30 mm
行程:25 mm
驅動方式:分厘卡頭
讀取精度:0.01mm
平行度:0.06mm
荷重:6.5 kgf
重量:0.88 kg

型號:
ST2100ACI-K 分厘卡頭位在中心
ST2100ALI-K 分厘卡頭位在左側
ST2100ARI-K 分厘卡頭位在右側