產品說明
CG60系列組合式立方體用於在60mm籠式系統中安裝光學元件;可選公制M3、英制4-40螺紋孔,或6mm貫穿籠桿孔;四面SM2螺紋孔用於將立方體整合至其他配件。
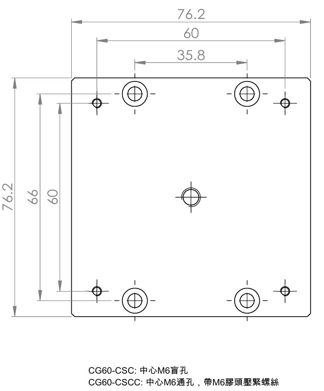
60mm立方體蓋板CG60-CSC和CG60-CSCC為不透光蓋板,CG60-CSC2和CG60-CSC2M為SM2螺紋通孔,可用於將SM2螺紋組件連接在立方體的頂部或底部。
CG60-CSD 矩形分光片安裝座透過兩個彈簧式夾緊機構穩固光學元件的位置,可夾持高度至63.5 mm,寬度30-53mm,厚度<4mm的濾光片。
圓形鏡片安裝。
- 整體材質為鋁合金,表面黑色陽極處理;
- CG60-CSC和CG60-CSCC為不透光蓋板,CSC2M為帶SM2螺紋孔板;
- 矩形分光片安裝座可夾持高度至63.5mm,寬度30-53mm,厚度<4mm的矩形分光片;
- 圓形鏡片安裝座用於立方體時,可將光學元件定位在立方體的中心,側面的對準線可以輔助對準;
- 立方體安裝座適合安裝分光立方體,棱鏡或2英吋光學元件;
- 安裝平台有標準固定式,俯仰調整±3,以及360°旋轉三種可選。
| 型號 | 說明 |
| CG60-CS | 4面帶英制4-40螺紋孔 |
| CG60-CSU | 單邊6mm籠桿貫穿,單邊帶英制4-40螺紋孔 |
| CG60-CSM | 4面帶公制M3螺紋孔 |
| CG60-CSUM | 單邊6mm籠桿貫穿,單邊帶公制M3螺紋孔 |
四面螺紋孔:

兩面通孔:

立方體蓋板:
| 型號 | 說明 |
| CG60-CSC | 立方體蓋板 |
| CG60-CSCC | 立方體蓋板,帶M6壓緊螺絲 |
| CG60-CSC2 | 立方體蓋板,帶SM2螺紋,英制4-40螺紋孔 |
| CG60-CSC2M | 立方體蓋板,帶SM2螺紋,公制M3螺紋孔 |

分光立方體(Cube Beamsplitter)固定底座:
| 型號 | 說明 |
| CG60-CSM2L | 50.8 x 50.8 x50.8 mm分光立方體安裝座 |
| CG60-CSM50L | 50 x 50 x 50 mm 分光立方體安裝座 |

立方體底座(與鏡片安裝座搭配使用):
| 型號 | 說明 |
| CG60-CSS | 公制螺紋孔平台 |
| CG60-CSSA | 公制螺紋孔,可調傾角平台 |
| CG60-CSSR | 360° 旋轉調整平台 |


立方體鏡片安裝座(與底座搭配使用):
| 型號 | 說明 |
| CG60-CSD | 夾緊式矩形分光片安裝座 |
| CG60-CS2T6 | 立方體用鏡架,帶SM2螺紋孔安裝座, 安裝厚度最大6.6 mm |
| CG60-CS2T12 | 立方體用鏡架,帶SM2螺紋孔安裝座, 安裝厚度最大12.3 mm |
| CG60-CSMD | 立方體用鏡架,帶2英寸孔安裝座,止付螺絲固定 |




